Интернет-магазин автозапчастей
Купить в ST0437160030 Крестовина кардана TY Dyna 99- XZU3## производитель Sat Выгодные цены и быстрая доставка - Применимость и аналоги - Cкидки и акции
Цена
Сортировать
Бренды
{{ brand }}
По вашему запросу товары не найдены. Попробуйте заново или воспользуйтесь каталогом

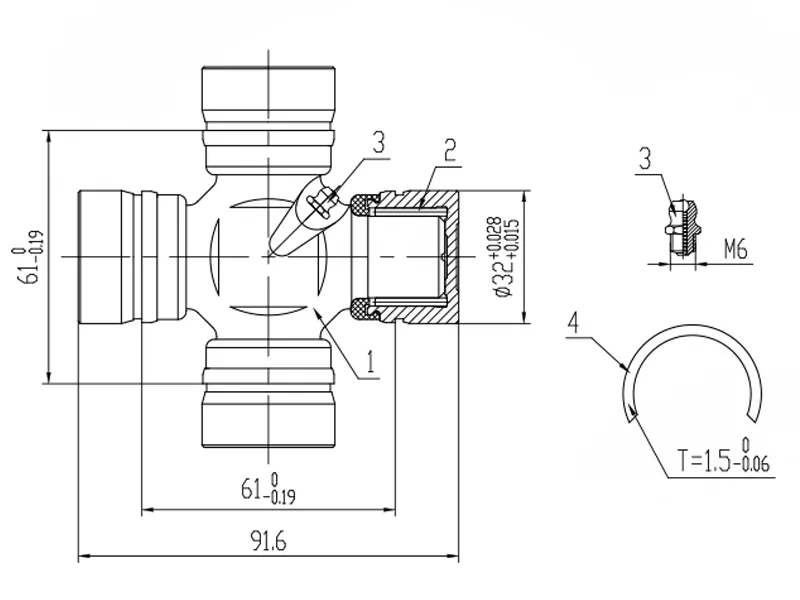
Крестовина кардана TY Dyna 99- XZU3##

Отзывы о товаре:
нет отзывов
Артикул производителя:
ST0437160030
Производитель:
Sat

Код товара:
dop133369

⚠️ Внимание! Это автозапчасть — проверьте совместимость с вашим авто в каталоге или у менеджера

Связаться с нами
Если появились вопросы, свяжитесь с нами через доступные каналы ниже